全国空降快餐网址_全国空降服务平台_全国900城市空降免费_同城快餐群加qq

圣克赛斯 | 精心设计、精心制作、持续改进、顾客满意

以技术、创新为发展,以诚信、务实、方便、快捷为保证,树立良好的企业形象,受到客户的广泛好评。

了解更多

圣克赛斯 | 以人为本、追求卓越、持续发展、满足客户、合作共赢

为客户创造价值,为社会为企业创造价值,为员工创造幸福生活。

了解更多

圣克赛斯 | 以人为本、追求卓越、持续发展、满足客户、合作共赢

为客户创造价值,为社会为企业创造价值,为员工创造幸福生活。

了解更多

圣克赛斯 | 以人为本、追求卓越、持续发展、满足客户、合作共赢

为客户创造价值,为社会为企业创造价值,为员工创造幸福生活。

了解更多

圣克赛斯 | 以人为本、追求卓越、持续发展、满足客户、合作共赢

为客户创造价值,为社会为企业创造价值,为员工创造幸福生活。

了解更多

圣克赛斯 | 以人为本、追求卓越、持续发展、满足客户、合作共赢

为客户创造价值,为社会为企业创造价值,为员工创造幸福生活。

了解更多

 
流量 (代表)
插装阀
型号
插孔 插装阀尺寸 安装
扭距
(N/m)
a b c d
120L/min. MWEA-XLN T-22A 35.1 28.6 67.6 7.1 60/70
240L/min. MWGA-XLN T-23A 46.2 31.8 82.6 9.4 200/215
480L/min. MWIA-XLN T-24A 63.5 41.3 114.3 5.8 465/500
?

 

?
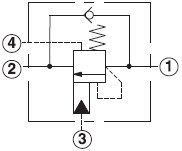
出厂设定压以流量30cc/min设定。
回座时内漏量=0,3cc/min。
回座压高于设定压的85%。
止回阀的开阀压=2bar。
此阀的设定压至少应为负载感应压的1.3倍。
口2的背压会增加阀设定压,增加的幅度相当于口2的背压乘以1+导压比。
可调设定压的阀其开阀压约为+/- 3,5 bar。而固定设定压的阀其开阀压范围大些,如:
? ?210bar 固定设定压:+20/-35 bar
? ?280bar 固定设定压:+20/-60 bar
? ?350bar 固定设定压:+20/-70 bar
此阀的功能同4口抗压阀;回座时功能似提塞阀而抗衡调控时如滑栓阀。
?
主站蜘蛛池模板: 西丰县| 通城县| 临桂县| 西峡县| 福安市| 贵南县| 永丰县| 喀什市| 贵港市| 达拉特旗| 新沂市| 巫山县| 紫金县| 白河县| 湟中县| 朝阳县| 广德县| 徐汇区| 石嘴山市| 辽阳市| 铜川市| 阳山县| 河曲县| 新郑市| 安塞县| 南和县| 苏尼特左旗| 岱山县| 图木舒克市| 遂昌县| 南京市| 广灵县| 景东| 交口县| 石景山区| 张家川| 文成县| 双柏县| 探索| 磴口县| 扬中市|