全国空降快餐网址_全国空降服务平台_全国900城市空降免费_同城快餐群加qq

圣克赛斯 | 精心设计、精心制作、持续改进、顾客满意

以技术、创新为发展,以诚信、务实、方便、快捷为保证,树立良好的企业形象,受到客户的广泛好评。

了解更多

圣克赛斯 | 以人为本、追求卓越、持续发展、满足客户、合作共赢

为客户创造价值,为社会为企业创造价值,为员工创造幸福生活。

了解更多

圣克赛斯 | 以人为本、追求卓越、持续发展、满足客户、合作共赢

为客户创造价值,为社会为企业创造价值,为员工创造幸福生活。

了解更多

圣克赛斯 | 以人为本、追求卓越、持续发展、满足客户、合作共赢

为客户创造价值,为社会为企业创造价值,为员工创造幸福生活。

了解更多

圣克赛斯 | 以人为本、追求卓越、持续发展、满足客户、合作共赢

为客户创造价值,为社会为企业创造价值,为员工创造幸福生活。

了解更多

圣克赛斯 | 以人为本、追求卓越、持续发展、满足客户、合作共赢

为客户创造价值,为社会为企业创造价值,为员工创造幸福生活。

了解更多

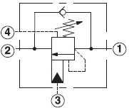
流量 代表
插装阀
型号
插孔 插装阀尺寸 安装扭距
(N/m)
a b c
L C
60 L/min. CWCA-LHN T-21A 34,9 22,2 74 82.6 40/50
120 L/min. CWEA-LHN T-22A 34,9 28,6 84 90.0 60/70
240 L/min. CWGA-LHN T-23A 46 31,8 95.3 101 200/215
480 L/min. CWIA-LHN T-24A 63,5 41,3 117 126 465/500
CWC*(自由流和导压开压损)
CWE*(自由流和导压开压损)
CWG*(自由流和导压开压损)
CWI*(自由流和导压开压损)
阀的设定压在280bar 时能承受的负载压为215bar.
复位时内漏量 = 0,4 cc/min.
止回阀的开阀压=CWC*:2.8bar,CWE*, CWG* :1.7bar, CWI*:1.5bar
出厂设定压是流量为30cc/min时设定的.
出厂设定压是流量为30cc/min时设定的.
阀设定标准设定压时,回座压高于设定压的85%,若设定压小于标准设定压,则回座压的百分比会降低。
C?60 L/min.
E?120 L/min.
G?240 L/min.
I?480 L/min.?

G 5:1
L 2:1
?

?
L?螺杆
C?防调

?
适合导压比:A 和 K
H?70 - 280 bar
I?25 - 105 bar
?
N?Buna-N
V?Viton?
?

?
? ? 出厂设定压:
H 标准设定压 210 bar.
I标准设定压 70 bar. .?
客户可指定设定压.
主站蜘蛛池模板: 花莲市| 那坡县| 凉山| 永安市| 铜陵市| 瓮安县| 永城市| 黎平县| 宁德市| 新巴尔虎右旗| 曲麻莱县| 信丰县| 乡城县| 宁明县| 巴中市| 高邮市| 大连市| 山阴县| 周至县| 鄂伦春自治旗| 汾阳市| 遂平县| 台东县| 牟定县| 罗田县| 思茅市| 开平市| 孟州市| 富裕县| 昭通市| 吴忠市| 遵义市| 乌审旗| 灌阳县| 陆良县| 栾城县| 寻乌县| 绥宁县| 临沂市| 唐山市| 赤峰市|