
技术特性:
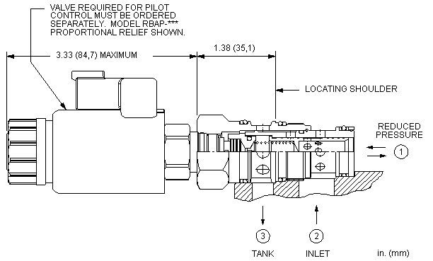
此类阀为3口,带集成先导级控制插孔的常开调节元件。先导级控制插孔可接受任何T-8A插孔的压力控制插装阀。减压阀将进口(口2)高压主油路压力调节减至口1所需的减压压力,同时具备从口1到油箱(口3)的全流量溢流功能。先导级控制阀的设定决定了减压口(口1)与油箱(口3)之间的压力降。
- 此类阀主级阻尼孔是直接钻在活塞上而不是嵌入进去。这使阀能够工作在高强度需求的应用中。
- 口3处的压力直接以1:1的比例增加到阀的设定值上,且压力不能超出3000 psi(210 bar)。
- 进口压力由偏置弹簧决定。D范围弹簧由2000 psi (140 bar)压力降测试,W范围弹簧由5000 psi (350 bar)进口压力测试。
- 注意:带-8控制选项,应首先用正确的扭矩安装主级阀。然后用合适的扭矩将T-8A先导级控制阀安装进主级阀中。
- -8控制类型允许通过T-8A插孔将先导级控制阀直接旋进溢流阀的顶部。这些先导级控制阀需单独采购并包括电比例,电磁,气控先导,液控先导操作。请参照先导级控制阀。
- 所有3口减压阀和减压/溢流阀在尺寸上可互换(如:给定的外形结构尺寸阀拥有相同的流道,相同的插孔)。考虑安装配置时,减压/溢流阀的回油路(口3)具有公称流量能力。
- 从减压压力口(口1)到进口(口2)的反向液流可能导致主阀芯关闭。如果油路中需要反向自由流,可以考虑在油路中加入单向阀。
- 先导式操作阀在减压与溢流模式间过渡时具有极低的死区。
- 先导式操作阀具有非常平坦的压力/流量特性,良好的稳定性和极低的滞回。
- 利用Sun浮动结构减少由于过量安装扭矩或插孔/插装阀加工误差带来的内部零件粘结的可能性。
技术数据:
| 插孔 | T-2A |
| 系列 | 2 |
| 通流能力 | 80 L/min. |
| 操作压力 | 350 bar |
| 控制先导流量 | 0,16 - 0,25 L/min. |
| 先导控制孔型 | T-8A |
| 先导控制阀安装扭矩 | 27 - 34 Nm |
| 先导控制阀安装尺寸 | 22,2 mm |
| 阀头部安装六角尺寸 | 28,6 mm |
| 阀安装扭矩 | 61 - 68 Nm |
| 型号重量 | 0.18 kg. |
| Seal kit - Cartridge | Buna:?990-202-007 |
| Seal kit - Cartridge | Polyurethane:?990-002-002 |
| Seal kit - Cartridge | Viton:?990-202-006 |
性能曲线:
?????????????????????????.gif)
?????????????????????????.gif)