全国空降快餐网址_全国空降服务平台_全国900城市空降免费_同城快餐群加qq

圣克赛斯 | 精心设计、精心制作、持续改进、顾客满意

以技术、创新为发展,以诚信、务实、方便、快捷为保证,树立良好的企业形象,受到客户的广泛好评。

了解更多

圣克赛斯 | 以人为本、追求卓越、持续发展、满足客户、合作共赢

为客户创造价值,为社会为企业创造价值,为员工创造幸福生活。

了解更多

圣克赛斯 | 以人为本、追求卓越、持续发展、满足客户、合作共赢

为客户创造价值,为社会为企业创造价值,为员工创造幸福生活。

了解更多

圣克赛斯 | 以人为本、追求卓越、持续发展、满足客户、合作共赢

为客户创造价值,为社会为企业创造价值,为员工创造幸福生活。

了解更多

圣克赛斯 | 以人为本、追求卓越、持续发展、满足客户、合作共赢

为客户创造价值,为社会为企业创造价值,为员工创造幸福生活。

了解更多

圣克赛斯 | 以人为本、追求卓越、持续发展、满足客户、合作共赢

为客户创造价值,为社会为企业创造价值,为员工创造幸福生活。

了解更多

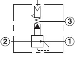
流量 (代表)
插装阀
型号
插孔 插装阀尺寸 安装
扭距
(N/m)
a b c
A B
80L/min. PBFC-ABN T-2A 35.0 28.6 51.1 - 60-70
160L/min. PBHC-ABN T-17A 46.0 31.8 - 63.0 200-215
320L/min. PBJC-ABN T-19A 63.8 41.3 - 79.0 465-500
?

PBFC

PBHC
?
?
PBJC
?
·工作压 = 350 bar。
导压比,气对油=20:1,
工作压=140bar。
气压=10,5bar。
导压流量=PBFC:0,16to0,25L/min.PBHC,PBJC,0,25to0,33L/min.
进油口与出油口的压差不可超过210bar。
油口3的压力设定阀设定压不可超过70bar。
?

F? 80 L/min. `
H?160 L/min.
J 320 L/min.


仅供PBFC:
A1、4“NPTE 导气口在阀六角头部

仅供PBHC PBJC
B SAE-4?导气口在阀六角头部

?
B 3.5bar-105bar



N?Buna-N
V Viton?



?
? ? ?

?
?
主站蜘蛛池模板: 三明市| 宜阳县| 扎兰屯市| 抚宁县| 舒兰市| 芷江| 临邑县| 临颍县| 平乡县| 安吉县| 太湖县| 东源县| 石嘴山市| 都安| 收藏| 德保县| 普格县| 启东市| 孙吴县| 东辽县| 青海省| 凤城市| 噶尔县| 泰来县| 开江县| 称多县| 达拉特旗| 县级市| 冷水江市| 江口县| 呼伦贝尔市| 泉州市| 建宁县| 临泽县| 磐安县| 临潭县| 南通市| 昭平县| 交城县| 崇州市| 江永县|