全国空降快餐网址_全国空降服务平台_全国900城市空降免费_同城快餐群加qq

圣克赛斯 | 精心设计、精心制作、持续改进、顾客满意

以技术、创新为发展,以诚信、务实、方便、快捷为保证,树立良好的企业形象,受到客户的广泛好评。

了解更多

圣克赛斯 | 以人为本、追求卓越、持续发展、满足客户、合作共赢

为客户创造价值,为社会为企业创造价值,为员工创造幸福生活。

了解更多

圣克赛斯 | 以人为本、追求卓越、持续发展、满足客户、合作共赢

为客户创造价值,为社会为企业创造价值,为员工创造幸福生活。

了解更多

圣克赛斯 | 以人为本、追求卓越、持续发展、满足客户、合作共赢

为客户创造价值,为社会为企业创造价值,为员工创造幸福生活。

了解更多

圣克赛斯 | 以人为本、追求卓越、持续发展、满足客户、合作共赢

为客户创造价值,为社会为企业创造价值,为员工创造幸福生活。

了解更多

圣克赛斯 | 以人为本、追求卓越、持续发展、满足客户、合作共赢

为客户创造价值,为社会为企业创造价值,为员工创造幸福生活。

了解更多


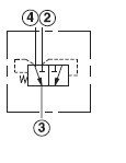
?
流量 (代表)
插装阀
型号
插孔 插装阀尺寸 安装
扭距
(N/m)
a b c
60L/min.

DSCO-XCN

T-31A 84.8 22.2 36.5 45-50
120L/min. DSEO-XCN T-32A 92.2 28.6 41.4 60-70
240L/min. DSGO-XCN T-33A 114.4 31.8 72.0 200-215
480L/min. DSIO-XCN T-34A 139.7 41.3 107.0 465-500

DSCO

DSEO

DSGO

DSIO
?
工作压 = 350 bar。
此阀虽使用四口插孔,但底口(口1)不用。
?

C 60L/min

E 120L/min

G 240L/min

I 480L/min?


X 不可调

?

?

C 2bar
E 5bar



N?Buna-N
V Viton?



?
主站蜘蛛池模板: 台东县| 鹿泉市| 旬邑县| 兴业县| 富平县| 马关县| 满洲里市| 广昌县| 奈曼旗| 长阳| 黑水县| 旺苍县| 磐石市| 开封县| 武陟县| 依安县| 奉贤区| 泰宁县| 寿宁县| 宁波市| 宜宾县| 个旧市| 香格里拉县| 二连浩特市| 金堂县| 太谷县| 托克逊县| 泸州市| 马尔康县| 会理县| 邛崃市| 九龙县| 伊春市| 连江县| 中山市| 理塘县| 广州市| 额济纳旗| 台山市| 溧水县| 麻栗坡县|