全国空降快餐网址_全国空降服务平台_全国900城市空降免费_同城快餐群加qq

圣克赛斯 | 精心设计、精心制作、持续改进、顾客满意

以技术、创新为发展,以诚信、务实、方便、快捷为保证,树立良好的企业形象,受到客户的广泛好评。

了解更多

圣克赛斯 | 以人为本、追求卓越、持续发展、满足客户、合作共赢

为客户创造价值,为社会为企业创造价值,为员工创造幸福生活。

了解更多

圣克赛斯 | 以人为本、追求卓越、持续发展、满足客户、合作共赢

为客户创造价值,为社会为企业创造价值,为员工创造幸福生活。

了解更多

圣克赛斯 | 以人为本、追求卓越、持续发展、满足客户、合作共赢

为客户创造价值,为社会为企业创造价值,为员工创造幸福生活。

了解更多

圣克赛斯 | 以人为本、追求卓越、持续发展、满足客户、合作共赢

为客户创造价值,为社会为企业创造价值,为员工创造幸福生活。

了解更多

圣克赛斯 | 以人为本、追求卓越、持续发展、满足客户、合作共赢

为客户创造价值,为社会为企业创造价值,为员工创造幸福生活。

了解更多

??

流量 (代表)
插装阀
型号
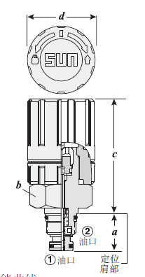
插孔 插装阀尺寸 安装
扭距
(N/m)
a b c d
1L/min. DAAM-LCN T-8A 18.5 28.6 61.0 48.3 35-40
?

?

?
工作压 = 350 bar。
内漏量于24cSt =0,6cc/min,at 350bar;
此阀用于间歇性手动切换,其手动机构的寿命约操作10,000次。
较佳流径为口2通往口1。
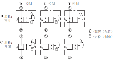
D手动双功能控制。调钮顺时针方向旋转为短暂切换功能,反时针旋转为定位切换功能。
L手动定位控制,调钮反时针方向旋转为定位切换功能,必以顺时针旋转调钮方可使阀回到原位。
T手动旋转控制,调钮顺时针方向旋转为短暂切换功能,松开调钮,阀即恢复到原位。
此阀采用SunT-T8A,2口插孔,使其与Sun的主级阀或透气制阀成为理想的组合。
不需额外的导压管线,仅需一个插孔即能安设导压级和主级阀。
注:所有2口导压级阀均使用相同的插孔,结构上是可互换,但应考虑其功能性。
?
?
A 1L/min?


D 手动旋转/定位

L 手动定位

T 手动旋转

?

H常开

C常闭




?
N?Buna-N
V Viton?



?
? ? ?

?
?
主站蜘蛛池模板: 辛集市| 葫芦岛市| 新昌县| 西吉县| 福安市| 沁源县| 定州市| 锡林郭勒盟| 防城港市| 股票| 贡嘎县| 衢州市| 巴楚县| 德安县| 东莞市| 新野县| 澄江县| 清苑县| 博乐市| 即墨市| 博湖县| 遵义市| 林口县| 济宁市| 漠河县| 南雄市| 南陵县| 喜德县| 公主岭市| 丁青县| 房山区| 南涧| 辽宁省| 丹东市| 彭水| 阿拉善右旗| 光泽县| 建瓯市| 兴义市| 肥西县| 乌鲁木齐县|